WHD

The WHD (weldhole detector) has a wider field of view then other detectors and is capable of capturing single events (flashes of radiation) as short as 100us. It operates with a custom modulated infrared bar which allows detection of very slow moving or fully static objects and offers better sensitivity and a higher signal to noise ratio.

The sensor is fully programmable via the RS-232 or RS-485 port using any ASCII terminal. For quick and easy installation and setup, ASC recommends a ASCII keypad, which can be conveniently powered from scanner RS-232 connector. For applications requiring setup and data collection, any PC computer with serial port and running a terminal program can be used.

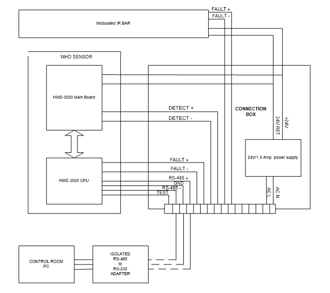
Weldhole Detector block diagram
Infrared bar

The custom modulated infrared bar which comes with this product.

WHD electronics

The WHD removed from its protective enclosure.



Technical Specifications

Power Requirements:

  • DC Option: 24V (23V to 25V) @ 150mA
  • AC option: 90VAC to 265VAC /10W

Outputs:

  • SPDT Relay

    • Contacts rating: 10 Amp at 250VAC
    • NO/NC contacts
    • UL, CSA, BSA approved
  • Opto-coupled MOSFET:

    • Load current: 50mA hold, 100mA max
    • Breakdown voltage: 100V
    • Isolation: 1500V r.m.s
    • UL, CSA, BSA approved
  • 4-20mA Current Loop:

    • Max load: 1k
    • Out- GND Isolation: 500VDC
    • Setup accuracy: 0.15%

Response time:

  • Opto-coupled MOSFET: < 50us (typical 30us)
  • Relay: 7ms typical
  • Hold Up Time: 40ms typical

Other:

  • Field of View: 21 deg. Horizontal, 9 deg. Vertical (57cm x 24 cm at 1.5m)
  • Operating Range: 1 to 4m typical
  • Minimum Light Pulse Duration: 100us
  • Recommended Radiant Bar Wavelength: 750nm to 1000nm

  • Pointing laser: 1mW @ 650nm (Class 2)
  • Pointing Laser Offset from FOV Center: 42mm

  • Gain control: 4 selections in 1, 2, 5, 10, sequence (Do not use AGC mode)
  • Threshold control: 1% to 25% of signal linear range


If you require additional information about this product, please contact us at: jknanotech@outlook.com